2024年,农业农村部组织7家部级肥料质量检验测试中心,对24个省(自治区、直辖市)的有机肥料、水溶肥料和微生物肥料质量进行了监督抽查,现将结果通报如下。
一、抽查情况
此次抽查在北京、河北、内蒙古、辽宁、吉林、黑龙江、江苏、浙江、安徽、福建、江西、山东、河南、湖北、湖南、广东、广西、海南、四川、贵州、云南、甘肃、宁夏、新疆等24个省(自治区、直辖市)的肥料生产企业和农资市场开展,抽取有机肥料、水溶肥料和微生物肥料样品270个,抽样基数656.1吨,涉及241家生产企业和经销企业(个体商户)。
二、抽查结果
此次抽查的270个肥料样品中,合格样品232个,总体合格率为85.9%。其中,抽查有机肥料样品125个,合格104个,合格率为83.2%;抽查水溶肥料样品56个,合格44个,合格率为78.6%;抽查微生物肥料样品89个,合格84个,合格率为94.4%。产品质量不合格的原因:有机肥料不合格原因主要是有机质含量不足、酸碱度(pH)和重金属含量超标;水溶肥料不合格原因主要是中微量元素和大量元素含量不足;微生物肥料不合格原因主要是有效活菌数不足和杂菌率超标。
三、有关要求
(一)严肃查处并督促不合格企业整改到位。各地对监督抽查发现的不合格产品,要第一时间固定证据,依法依规对不合格有机肥料、水溶肥料和微生物肥料产品生产企业进行立案查处,责令限期整改。
(二)加强不合格产品后续监管和处置。有关省(自治区、直辖市)农业农村部门要将不合格肥料产品生产企业列为重点关注对象,采取有效措施净化肥料市场环境,维护农民用肥安全。对质量连续不合格的登记产品,按《肥料登记管理办法》规定,肥料登记有效期满后不予续展登记。
各省份要将不合格产品生产企业查处结果和省级肥料质量监督抽查结果于2025年2月14日前报送农业农村部种植业管理司。
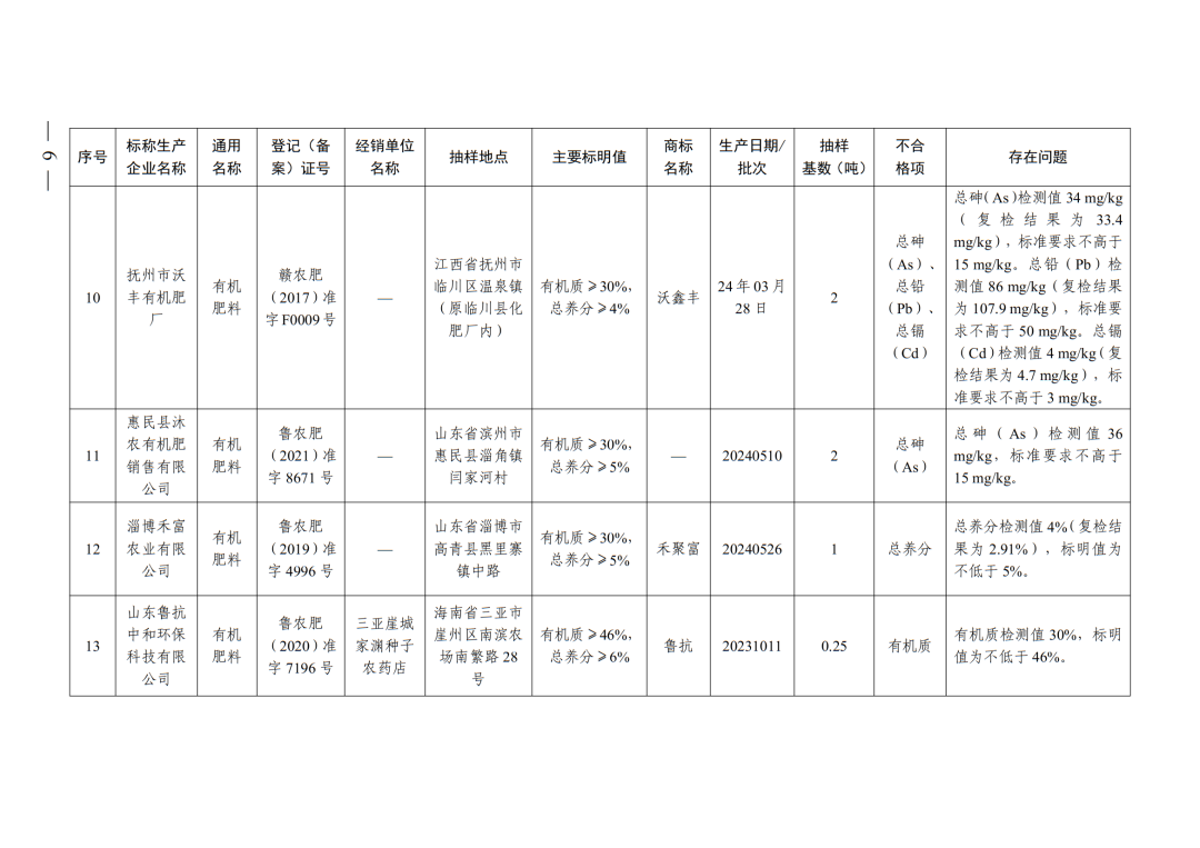
附件:2024年全国肥料质量监督抽查不合格产品名单
